中空旋转平台|重负载旋转平台|高精度减速机|精密减速机|巴普曼

-- 关闭
查找产品 快速选型
BPTSW200高精密伺服转角减速机
BPTSW200高精密伺服转角减速机
BPTSW200高精密伺服转角减速机
BPTSW200高精密伺服转角减速机
BPTSW200高精密伺服转角减速机
BPTSW200高精密伺服转角减速机
BPTSW200高精密伺服转角减速机
BPTSW200高精密伺服转角减速机

-   精密伺服直角减速机

BPTSW200高精密伺服转角减速机

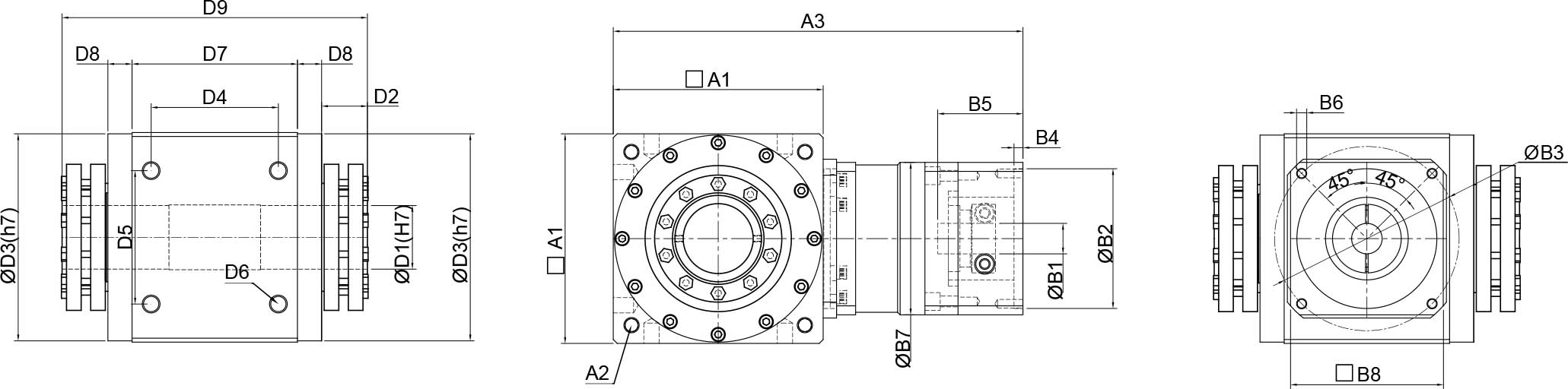
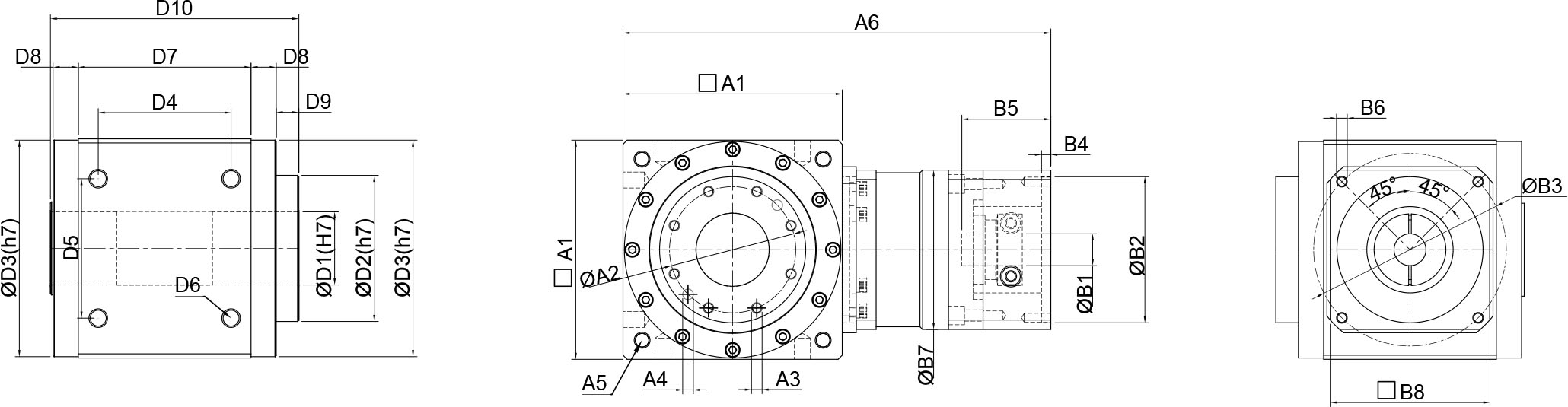
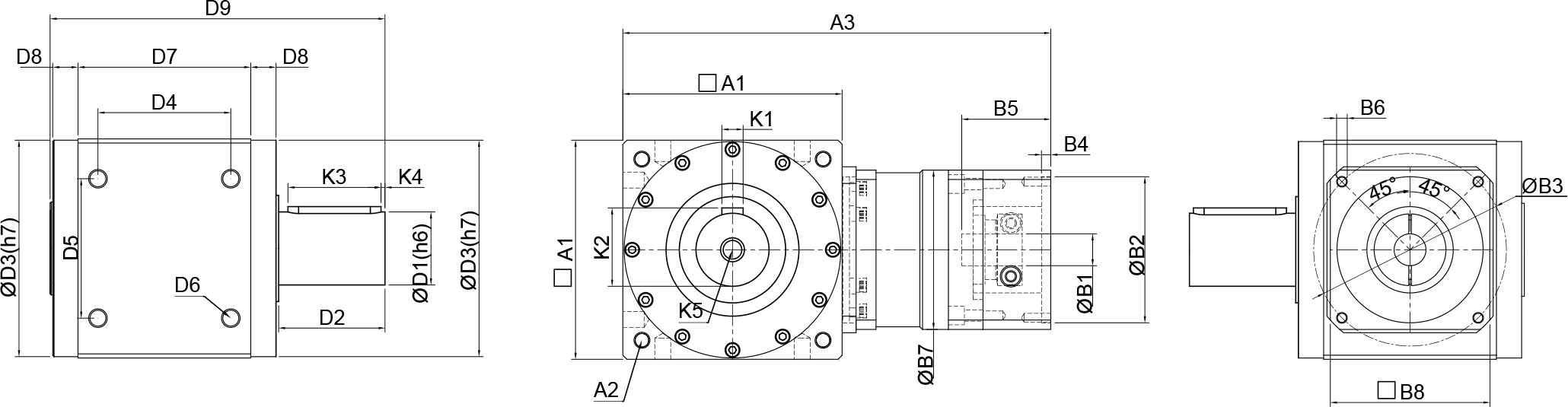
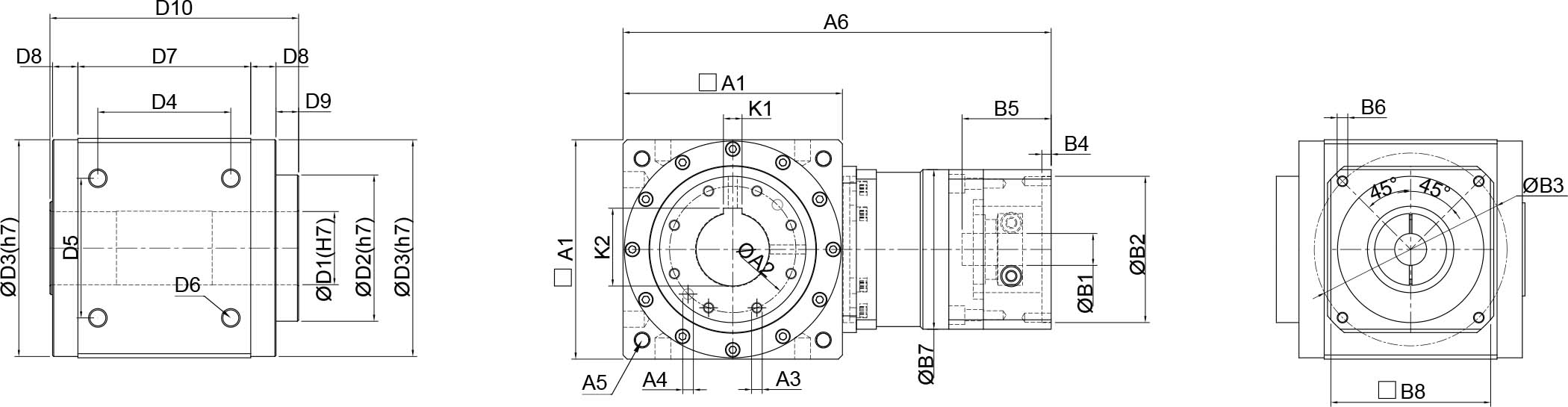
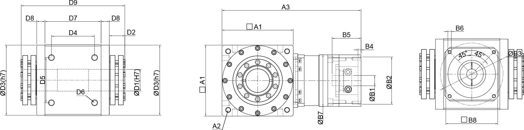
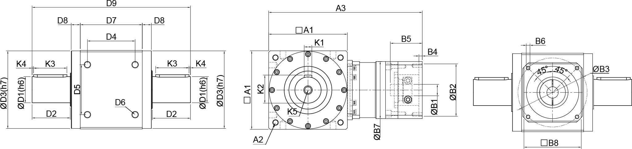
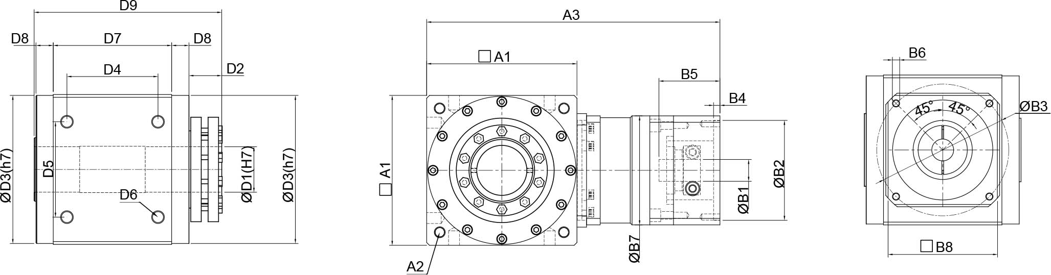
结构尺寸

使用选型工具快速选型

您是否想了解更多?

如需要了解更多CAD数据或3D模型,请直接与我们BUPERMANN联系:

技术参数段数减速比BPTSW045BPTSW070BPTSW080BPTSW110BPTSW135BPTSW165BPTSW200BPTSW250
额定输出扭矩(Nm)L169.53078.523035075015002150
8,10,129.53078.523035075015002150
14,16,189.53078.523035075015002150
15,20,25,30,
       35,40,50
9.524.549.01232084908002150
L224,30,100,160,180,
       200,210
//70.017035075015002150
32,36,40,50//78.523035075015002150
56,60,70,80//78.523035075015002150
48,120,140//78.523035075015002150
45,75,84,105,125,
       150,175,250
//49.01232084908002150
最大加速转距(Nm)L1,L26-2501.5倍额定输出转矩
瞬间输出转距(Nm)L1,L26-2503倍额定输出转矩
输入转数(rpm)L1,L26-25030003000300030003000300020002000
最大输入转数(rpm)L1,L26-25045004500450030003000300020002000
标准背隙P2(arcmin)L16-50≤10≤6≤6≤6≤6≤6≤6≤6
L224-250≤10≤9≤9≤9≤9≤9≤9≤9
精密背隙P1(arcmin)L16-50≤8≤5≤5≤5≤5≤5≤5≤5
L224-250≤8≤8≤8≤8≤8≤8≤8≤8
精密背隙P0(arcmin)L16-50/≤3≤3≤3≤3≤3≤3≤3
L224-250/≤6≤6≤6≤6≤6≤6≤6
容许径向力(N)L1,L26-25011002800390055009800165002410045000
容许轴向力(N)L1,L26-2506502800390055009800165002410045000
工作寿命(hr)L16-50>20000
效率(%)L16-5090%
L1,L26-25085%
重量(kg)L16-501.83.55.511.021.036.555.3175.0
L1,L26-250/5.06.013.024.541.065.5205.0
使用温度(°C)L1,L26-250-10°C ~ +70°C
噪音值(dB)L1,L26-250≤62≤68≤68≤70≤72≤73≤76≤76
技术参数单位减速比BPTSW045BPTSW070BPTSW080BPTSW110BPTSW135BPTSW165BPTSW200BPTSW250
转动惯量kg.cm26,150.0420.560.563.926.2814.8333.2133.21
8,10,120.032/0.473.755.6411.8529.2529.25
14,16,18,200.0270.430.433.705.1210.2525.1625.16
25,30,35,40,50/0.40.43.655.069.6624.0224.02
24,30,75//0.563.926.2814.8333.2133.21
32,40,50,60,175//0.473.755.6411.8529.2529.25
56,70,80,100,125,250//0.433.705.1210.2525.1625.16
120,140,160,180,200//0.43.655.069.6624.0224.02

BPTSW-2P

BPTSW-P

BPTSW-CR

BPTSW-HP

BPTSW-2HP

BPTSW-HPK

BPTSW-2HPK

BPTSW-RF

BPTSW-RFK

BPTSW系列高精密伺服直角减速器目录

大小:737KB 类型:PDF

语言:中文

欢迎随时联系我们

如果您对我们的产品解决方案有任何疑问,我们的客户支持团队将在第一时间为您提供帮助。我们的专家很乐意为您服务。

请选择您的需求类型
请选择您的行业
请输入您的应用
请输入您的姓名
请输入您的电话
请输入您的电子邮箱
请输入您的需求

更多相关的精密减速机

BPT系列转向器

BPT系列转向器

减速比
1-5
额定扭矩
12-3200 Nm
回程间隙
6 arcmin
输入转数
1700-7500 rpm
径向力
900-18000 N

结构尺寸

查看产品
BPTF系列精密伺服直角减速机

BPTF系列精密伺服直角减速机

减速比
1-500
额定扭矩
12-3200 Nm
回程间隙
6-10 arcmin
输入转数
1700-8000 rpm
径向力
900-18000 N

结构尺寸

查看产品
BPTSW系列精密伺服直角减速机

BPTSW系列精密伺服直角减速机

减速比
6-300
额定扭矩
9.5-2150 Nm
回程间隙
3-10 arcmin
输入转数
2000-4500 rpm
径向力
1100-45000 N

结构尺寸

查看产品

专业:您理想的合作伙伴

我们针对每一种需求,提供正确的选型计算。但是,我们希望您亲自体验:筛选、配置并设计驱动系统,一切皆有可能

减速机快速选型

我们针对每一种需求,提供正确的软件。但是,我们希望您亲自体验:筛选、配置并设计驱动系统,一切皆有可能 —— 只需几下点击.

进一步了解和使用我们的选型工具

3D模型和图纸下载

我们针对每一种需求,提供正确的软件。但是,我们希望您亲自体验:筛选、配置并设计驱动系统,一切皆有可能 —— 只需几下点击.

进一步了解和使用我们的选型工具